AVISO DE ALARMA CON EL LOCALIZADOR
Este brico es aprovechar que tenemos el localizador que nos avisa de varias circunstancias mediante un sms para que nos avise de que ha saltado la alarma de la autocaravana.
En primer lugar describiré un poco como es y como funciona el localizador.
El localizador es un gps y un movil junto con un pequeño hard y soft que lo gestionan, todo ello diseñado ex profeso, de forma que no ocupa mas que un paquete de tabaco. En concreto el que yo tengo y sobre el que va el brico es este : MZN Compact, y lo que voy a hacer es actuar sobre la función SOS cuando salte la alarma de la autocaravana. Hay otro modelo fijo, con antenas exteriores llamado Protect XG, que desconozco si tiene esta función. La principal diferencia es que el compact es portátil y el XG hay que instalarlo. Yo me decidí por el compact por saber seguro que llevaba la función SOS así como parecerme mas fácil de instalar y ocultar, las antenas externas no lo veo una ventaja, pues las antenas hay que esconderlas, porque si están a la vista el ladrón solo tiene que cortar los cables de estas para anular el sistema, y ya que hay que tenerlo oculto, me resulta mas sencillo ocultar el compact que el XG y sus distintas partes, la diferencia de cobertura ( tanto de GPS como de móvil (GSM)) será minima.
El aparato en cuestión trae el propio aparato, un cable de toma de mechero, un alimentador a 220, un cable para instalar fijo en un vehiculo, dos baterias ( con una me basta ), un cargador externo de bateria y el manual. Solo nos queda añadir una tarjeta de una compañía, en mi caso Vodafone por tener el resto de móviles de la familia de esa compañía, mencionar que se pueden configurar hasta 5 móviles que pueden recibir los sms. Estos sms se componen de latitud, longitud, velocidad, fecha, hora, y nivel de bateria y señales, además de la palabra de la función de la que nos avisa.
|
|
|
|
|
|
Yo lo he instalado con el cable para instalar fijo en un punto que lógicamente no voy a revelar, pero recibe muy buena señal con las pruebas que he realizado.
Para configurarlo es muy sencillo, no hay mas que seguir el manual y en menos de 5 min esta listo para funcionar.
Las funciones de que dispone son :
Move : nos avisa si el vehiculo se mueve, pero ojo, en todas mis pruebas siempre a tardado alrededor de unos 7 min en avisarme, y me ha dado la posición en la que se encuentra el vehiculo en ese instante
Tambien nos avisa si el vehiculo sobrepasa una velocidad, si se sale de una zona determinada ( cuadrada ), nos puede ir enviando cada intervalo de tiempo que nosotros queramos donde esta el vehiculo y algunas funciones mas.
Ademas cuenta con un boton SOS que al presionarlo durante 3 sg nos envia un sms con los datos de costumbre y la palabra HELP ME, y asi continuara cada min o 2 min hasta que nosotros le enviemos un sms con la palabra HELP ME y el nos responderá HELP ME OK y ya no nos enviara mas sms hasta que se vuelva a pulsar por 3 seg el boton.
La forma de activar las funciones es muy sencilla, solo tenemos que enviar un sms desde cualquiera de los móviles autorizados con la función y el password que nosotros le hayamos puesto al aparato cuando lo configuramos ( 6 dígitos ) por ejemplo : MOVE123456 y nos responderá con un sms diciendo MOVE OK lo cual nos indica que la función esta activada, de tal manera que cuando el vehiculo se mueva ( recuerdo que a mi a los 7 min + o - ) nos enviara un mensaje con lat, long, vel, fecha, hora, batería, señal, MOVE, y así continuara cada cierto tiempo, hasta que nosotros le demos la orden NOMOVE123456, respondiéndonos el con NOMOVE OK, lógicamente si le damos la orden NOMOVE antes de empezar a movernos nos responderá NOMOVE y no nos dará posición ni nada.
Para facilitar el uso, lo que yo he hecho ha sido crearme 5 plantillas de sms en mi móvil, con la activación y desactivación de 2 funciones ( funcion123456 ) mas el reseteo del Helpme, de tal manera que no necesito acordarme de la orden exacta y además es rápido, solo tengo que escoger la plantilla que deseo y darle a enviar, me pregunta a quien, y como en la agenda lo tengo como Aautocaravana, pues me aparece el primero, le marco y le doy a enviar.
Esto habría que hacerlo cada vez que paramos, move123456 y nomove123456 antes de arrancar, de manera que 2 mensajes que enviamos nosotros, mas dos que envía el, vamos a poner que a unos 15 céntimos el sms nos sale 60 cms ( 100 ptas de las de antes ) cada parada, vamos que en un viaje normal te puedes estar gastando fácilmente unos 2 - 3 euros por día, lo cual no es mucho si lo comparamos con la tranquilidad que nos da, pero que si que es mucho si lo podemos evitar, además de olvidarnos de estar activando desactivando, puesto que la función SOS esta siempre activa ( la reseteamos, pero no la desactivamos, entre otras cosas porque no es posible ) ya que solo nos avisara en caso de saltar la alarma, y en ese momento además de saber de que nos han entrado o al menos lo han intentado ( y ponernos de muy mala uva L ), activamos la función MOVE, y se se mueve, pues malo, a avisar a la policía tocan e ir facilitándole las coordenadas, estas las podemos conseguir con varios comandos o bien simplemente llamando al localizador ( llamada perdida, nos corta al segundo tono ) y el nos envía un sms con los datos de costumbre.
El montaje que yo he hecho implica la perdida de la garantía si aun la tuviera
¿ Forma de activar el SOS desde la alarma ¿, pues la idea es muy sencilla, si nuestra alarma dispone de una salida auxiliar ( para conectar una segunda sirena , o luces rotatorias como las ambulancias o similares ) o si la sirena y el modulo de la alarma son independientes, pues esta salida la conectamos a un rele de 12 V de doble circuito, con un contacto por circuito nos bastaría, pero es mas fácil encontrarlos de dos, de modo que un circuito lo utilizamos para la anterior función, contacto central a + 12 y el normalmente abierto al aparato que tuviéramos conectado o que queramos conectar, y del otro circuito usaremos el contacto central y el normalmente abierto para activar el SOS como explicare mas adelante. La bobina del rele ira una patilla a la salida auxiliar de la alarma y la otra a masa de esta manera cuando salte la alarma se activara el rele y cerrara los contactos ( en el caso de que mi alarma lo llevara no seria así, pues la salida auxiliar es a negativo, por lo tanto la salida auxiliar a una patilla y la otra a positivo, ver mas abajo ). Como he dicho antes, la función SOS es un pulsador que hay en el aparato, un pulsador lo que hace es cerrar dos contactos, y eso mismo es lo que hace el rele ( en nuestro ejemplo cerraría 2 para la sirena aux y 2 para la función SOS ), por lo tanto solo nos queda soldar dos cables desde el rele hasta el pulsador del localizado, de manera que queda instalado en paralelo, y tanto si actuamos el rele como el botón del propio aparato nos enviara el sms HELP ME y sabremos que algo pasa, aunque sea una falsa alarma de la alarma.
Y aquí es donde viene el problema, el aparato es pequeño y esta realizado en tecnología SMD que es muy pequeña, y los puntos sobre los que tenemos que soldar, al igual que toda esta tecnología, son muy pequeños, para complicar un poco mas las cosas no podemos desmontarlo por completo ( yo al menos no lo veía muy claro volver a soldar la antena si la desoldaba ), por lo que la posición de trabajo no es muy cómoda. Este problema del tamaño se soluciona utilizando un soldador de 15 W con punta de aguja, y estaño e hilo muy finos, yo por mi profesión tengo estos materiales, pero el que no sepa soldar bien, pero bien, o no pueda tener estos materiales le aconsejo que se dirija a alguien que se dedique a “tocar” las PSP y demás videoconsolas, pues todo esto es lo que utilizan ellos ( que quede claro que yo no me dedico a eso ) y no creo que os cobren mucho por haceros esas dos soldaduras. Como podéis ver yo lo que he hecho a sido sacar los dos hilos fuera y poner un conector.
|
|
|
Hay que quitar solamente el tornillo que esta debajo del precinto
|
|
|
|
Levantamos la placa de plástico
|
|
|
|
Y sacamos todo lo que podamos la placa, como se puede ver hay un cable soldado al fondo que nos impide sacar la placa del todo, no aconsejo desoldarlo, pues esta en un sitio en el que después nos llevaría muchísimo trabajo soldarlo ( incluso no conseguirlo )
|
|
|
|
|
|
Con dos flechas negras los puntos donde soldaremos los dos cables
|
|
|
|
Distintas puntas de soldador, usaremos la de 15 W de aguja
|
|
|
|
Dos tipos de soldador, nosotros usaremos el de 15 W
|
|
|
|
Aquí los materiales, para que se aprecie el tamaño comparado con una aguja, observar que el hilo de estaño y el eléctrico son muy finos
|
|
|
|
|
|
Aquí dos vistas con los cables ya soldados
|
|
|
|
Hacemos un agujero lo mas fino posible y que nos permita sacar los cables al exterior
|
|
|
|
Volvemos a montar el localizador
|
|
|
|
Y le ponermos un conector ( en mi caso RCA ) para poder desconectarlo y llevarnos el localizador a otro vehiculo, indicar que en este caso no hay polaridad, por lo que da igual donde soldemos los dos cables siempre que sea cada uno a una patilla. |
Ya solo nos queda volver a montar el localizador, ponerlo en su escondite y conectarlo a 12 V con el cable del Kit y a los dos hilos que vendrán del relé que le habremos añadido a la alarma.
Da igual que el rele este 30 seg pulsado ( duración normal de las alarmas ), lo que importa es que al menos este pulsado mas de 3 seg.
|
|
|
Rele 2 circuitos dos contactos, observar que 2 líneas mas abajo de donde se lee OMRON indica la tensión de trabajo de la bobina, en este caso 12 V
|
|
|
|
Aquí tenéis una descripción de un rele
|
|
|
|
Y aquí la indicación de cada patilla, nosotros las conectaremos de la siguiente manera: uno de los cables del localizador a C1, y el otro a NO1, y la salida auxiliar de la alarma a una de las patillas de bobina, la otra patilla de bobina la conectaremos a positivo o negativo, dependiendo de la polaridad que tenga la salida auxiliar, si esta salida es por negativo entonces tendremos que conectarla a positivo y viceversa, si la salida de la alarma es por positivo la conectaremos a masa
|
|
Si el modulo de alarma y la sirena son independientes solo tenemos que conectar los cables que unen el modulo a la sirena a las patillas bobina ( da igual la polaridad ), la conexión al localizador igual que en el explicado arriba. Por supuesto los cables también tienen que llegar a la sirena.
|
| C2 y NO2 los podemos usar para alimentar otra sirena
adicional, o unas luces o ....., solo funcionara lo que conectemos
cuando salte la alarma
|
¿ Y si mi alarma no tiene salida auxiliar?
Pues entonces estarás en el mismo caso que yo, en los esquemas de mi alarma indicaba que si que tenia, pero resulto que el manual es común a dos versiones de la misma alarma, y claro, como las leyes de Murphy no fallan, pues la mía era la que no llevaba esa función, pero de eso me di cuenta después de ver que no funcionaba. La mia es marca Piranha modelo CS35C, si tienes la CS35A tienes salida auxiliar y solo tienes que conectarla como he indicado antes.
|
|
|
Alarma integrada Piranha CS35C, para desmontarla no hay mas que soltar dos tornillos de la carcasa que nos permitirán sacar la carcasa, y después dos tornillos que nos permiten soltar la placa electronica |
|
|
|
Aquí vemos el PIC, en mi caso el 16F628A , si tu alarma es otra marca pero lleva el mismo será la misma patilla la que habrá que utilizar, la mancha la podemos eliminar rascando suavemente y poco a poco hasta que quede visible la numeración del PIC, si es otro tendrás que hacer las pruebas que indico mas abajo. |
|
|
|
|
|
Aquí vemos donde hay que soldar el cable que llevaremos a un circuito auxiliar ( patilla 7 del PIC ), pues da 5 V y nos interesa que sea de 12 V, esto lo haremos con un circuito auxiliar. En mi caso el mazo de cables incluía el cable de salida auxiliar ( aunque no la función ), por lo que he aprovechado y lo he llevado al conector del mazo de cables y así ya lo tengo en el interior del habitáculo. En caso de que no tengas este cable tendrás que hacer una agujero para sacar el cable que hemos soldado a la patilla del PIC para llevarlo al circuito auxiliar. Sella con silicona o sicaflex la salida de ese cable. |
|
|
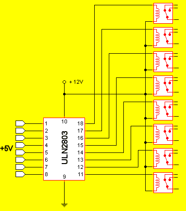
| Tipico circuito que con una señal de 5 V nos permite activar un rele de 12 V, solo tenemos que aplicar una señal de 5 V a una patilla y por la otra nos activa el rele de 12 V, el circuito que muestro es el tipico, es capaz de gobernar 8 reles, en nuestro caso solo es necesario 1 rele, y por comodidad he usado la patilla 7, y la salida es por la 12, si usamos la 1 la salida es la 18 ....., como referencia en el integrado es la del lado opuesto. |
|
|
| Aqui tenemos el circuito montado sobre una placa perforada, como se puede ver queda todo muy recogido |
|
|
|
Aquí visto desde el lado de las soldaduras, aqui se ve el porque me intereso la patilla 7 del ULM2803, caía al lado del cable situando la masa al lado de la masa del integrado y además el positivo de los 12 también queda bien situado, las patillas del rele y del integrado que no me eran necesarias no las he soldado, salvo las del extremo, las pistas las he realizado uniendo con estaño los distintos cuadrados, y posteriormente recorte la placa por la línea roja |
Bueno, pues si estas en mi caso, la cosa se complica, pero no esta todo perdido, hoy en día casi todas las alarmas son iguales, y casi todas están basadas en un circuito integrado del tipo PIC, en mi caso en concreto un PIC 16F628A . Yo lo que hice fue desmontar la alarma, y desolde los cables del altavoz ( si no te vuelves loco y molestas a los vecinos ) y me lo lleve a mi cuarto de los aviones ( nombre que le damos en casa a una habitación que tengo dedicada al aeromodelismo y la electrónica, vamos, un tallercito ), siempre puedes desmontar la alarma, desoldar el altavoz y conectar el mazo de cables en un lugar estable y accesible en la misma autocaravana, bien en el sitio o bien cerca de donde este puesta la alarma, y con la ayuda de un osciloscopio ( sirve perfectamente un polímetro ) y una batería de 12 V me puse a activar y simular una alarma de manera que buscaba un punto donde tuviera 5 V mientras que la alarma estuviera sonando ( no estaba el altavoz, pero se oye el rele que lleva para encender las intermitencias, si la has dejado en la auto veras las intermitencias ) ese punto lo buscaba en las patillas del PIC, media 3 o 4 patillas ( ojo, de una en una) y tomaba nota de los que daban 0 Voltios ( la medida siempre hay que hacerla respecto a masa, el cable rojo del polímetro a las patillas del pic y el negro a la masa ( - ) de la alarma o del vehiculo, lo mismo da , a continuación hacia saltar la alarma y los volvía a medir, así hasta que encontré uno que daba los 5 V ( ojo, los hay que están continuamente oscilando entre 0 y 5, esos no sirven, solo vale si al estar sonando y solo mientras esta sonando, se queda en 5 V fijos ), y entonces ya me dedique a ese punto en exclusiva, es decir, con la alarma sin conectar, con la alarma activada y en reposo, y con la alarma activada sonando , una vez localizado el punto y comprobado que solo da los 5 V cuando salta la alarma, en mi caso la patilla 7 , solo me quedo sacar un hilo desde ese punto y llevarlo a una plaquita electrónica ( me quedaba libre el hilo del mazo donde tendría que haber salido la salida auxiliar, si no con pasar un hilo por donde mejor podamos listo ), que activaba el rele y a partir de aquí ya tenemos lo mismo que trae el modelo de alarma que seria el idóneo para esto y le habremos añadido una salida auxiliar para conectar una segunda sirena o lo que se nos ocurra, en mi caso he aprovechado y he puesto una sirena dentro de la auto ¿ habéis probado a estar dentro con una sirena sonando ¿.
Posteriormente realice la misma operación con la alarma de mi amigo y compañero de viajes Juanvi, su alarma es una Patrol Line 738 Pro, y su alarma traía el PIC 16C63A, en su caso el PIC es SMD, y la patilla que da los 5V es la 13. Unos días antes, no se porque ( creo que si, pero como no estoy seguro .. ) me salto el localizador, y no había manera de resetearlo desde el teléfono ni podía apagarlo por estar escondido y yo fuera de casa, por lo que descarte llamar y dar instrucciones a la familia para que lo hicieran, pues bueno, estuvo enviando sms hasta que se quedo sin saldo ( unos 7 u 8 € ), antes esto y en previsión de que volviera a ocurrir decidí realizar la misma operación que hice con el SOS hacerla con el pulsador power, de manera que dejo un pulsador escondido pero accesible dentro de la auto y en ese caso ya podría avisar a la familia para que pudieran apagarlo.
Con el localizador de Juanvi me surgió un problema, pues al abrirlo se soltó el famoso cable que yo decía que mejor no soltar, pues nada, en su momento no hubo manera de soldarlo, y no me quedo otra que hacerle un agujero, de manera que una vez la placa en su sitio, poder realizar la soldadura, tapar el agujero después no es mayor problema, un trozo de cinta americana o bien un poco de sikaflex y listo. Al realizar las soldaduras del pulsador de power no me quedo otra que quitar el micrófono, nosotros no lo usamos, entre otras cosas porque el localizador esta fuera de la auto, pero también es posible ( y en este caso fácil de soldar ) sacar un cable del localizador y llevarlo dentro de la auto y situar allí el micrófono, la única precaución es utilizar cable del tipo vivo malla. Como se soltó el cable, las fotos que he podido hacer salen mejor.
![]() |
![]() |
![]() |
![]() |
| El micro, no me quedo mas remedio que quitarlo porque la soldadura tocaba con el micro . |
![]() |
![]() |
| La soldadura que se soltó |
![]() |
| el cablecito que va a la soldadura |
![]() |
| El localizador con los dos pulsadores duplicados y el agujero para soldar el cable del fondo |
![]() |
![]() |
![]() |
![]() |
![]() |
![]() |
![]() |
| El circuito conectado a la alarma y a los cables del SOS del localizador |
![]() |
| El circuito entre toda la maraña de cables de la alarma, del control de velocidad, y otros, lógicamente el circuito hay que aislarlo, bien envolviéndolo por ejemplo con cinta americana o bien metiéndolo en una cajita, el caso es que hay que evitar que cualquier parte metálica pueda tocar con el chasis del vehiculo. |
Lo indicado aquí de conectar la salida auxiliar de la alarma o bien como hacerlo si no la trae también es valido si no queremos tener un localizador y queremos usar un sistema como el que Ketellama de Johnny, solo hay que llevar los cables de los contactos del rele al lugar que indica Johnny http://chapucillas.acmur.es/chapucilla_22.html .
Otra utilidad que se le puede dar al localizador es como avisador de batería baja, si tienes la auto en un parking sin posibilidad de recargar las baterías ( por no poder enchufar directamente a 220 o no tener placa solar ) puedes hacer que el localizador también te envíe un mensaje si la batería se esta quedando baja, esto tiene dos pegas, una es mínima si crees que necesitas esta función y al mismo tiempo la de que te avise si salta la alarma, es que el mensaje es el mismo, y no podrás saber hasta que te presentes en tu auto si ha sido la alarma o la batería ( o baterías ) las que han provocado el mensaje Help me, aunque siempre podrás activar en esos momentos la función move para saber si se mueve o no ( o ya tenerlo activado si la dejas por “largos” tiempos, es una doble seguridad ¿no?), dato muy importante. La otra pega a mi modo de ver es gorda, y es que no dejara de enviarnos el mensaje de help me cada cierto tiempo aunque intentemos resetearlo, y eso si no podemos desplazarnos rápidamente y desconectar esta utilidad, pues es un dinero en sms, mas o menos 60 centimos por hora.
En este caso lo que tenemos que hacer es muy sencillo, cogemos un rele como el anterior, o de un circuito, pues en este caso no nos sirve de nada el segundo, y le ponemos en serie una resistencia, es decir, una patilla de la resistencia conectada a una patilla de la bobina del rele, y conectamos las patillas que queda del relé al + de la batería a controlar y la que nos queda libre de la resistencia al menos de la batería, y en este caso utilizaremos la común y el normalmente cerrado de los contactos del rele para poner en paralelo con el pulsador sos, de esta manera mientras que la batería tenga una tensión buena el relé estará activado y las patillas del circuito separadas, por lo que no se activara el SOS, y cuando la tensión de la batería baje hasta un punto donde ya no sea capaz de tener activado el relé se desactivara y de esta manera cerrara los contactos y nos enviara el HELP ME, el poner una resistencia en serie es por bajar la tensión que desde la batería le llega a el relé y nos avise antes de que ya este bastante descargada ¿ que valor poner ¿, pues mi consejo es la prueba, pues cada relé varia un poco la tensión donde deja de estar activado y también dependerá de nuestros gustos, de cuando consideramos que debe avisarnos, vamos, que a cuantos voltios queremos que nos avise ( yo lo haría para unos 11 V o 10,5 como mucho ), la forma correcta seria primero soldar un potenciómetro en serie con la bobina del relé y con la ayuda de una fuente de alimentación variable ir bajando la tensión y ver a que tensión deja de estar activado, repetir dos o tres veces la prueba y decidir si subimos o bajamos el valor del potenciómetro, hasta que consigamos que se desactive a la tensión que nos interesa, como es posible que a ese valor de resistencia no se nos active de nuevo con una tensión normal de la batería, pues le ponemos un pulsador normalmente abierto en paralelo, de forma que antes de dejar sola a nuestra querida auto, pues le damos al pulsador, llegándole en ese momento a la bobina del rele toda la tensión que tenga la batería y quedándose activo el sistema ( si en algún momento del viaje hemos bajado la tensión de la batería del limite que hemos seleccionado nos estará saltando el mensaje Helpme hasta que reseteemos con el pulsador y con un sms al localizador, por lo que no estaría de mas un interruptor en uno de los dos hilos que van de los contactos del rele al localizador, de forma que podamos activar o desactivar la posibilidad de utilizar esta alarma de nivel bajo de batería )
Ojo, esto tiene un grandísimo inconveniente, los reles consumen, y no son precisamente de bajo consumo, 50 mA la bobina se activa a los 5-6 V y se desactiva a los 3,6 , el que yo he estado probando, de ahí el usar una resistencia ( hacemos que al rele le llegue menos tensión de la que tiene la bateria ), porque si la batería llega a 3,6 v no se si la recuperaremos.
Se puede resolver con un vumetro utilizado como voltímetro que cuando encienda el led active el rele, la ventaja es mucho menos consumo mientras que la batería esta bien, pero aumenta el consumo en 50 mA del rele mas lo del circuito cuando la batería este “baja”, pero esto ya se escapa al fin de este brico
Podemos poner tantos circuitos que activen el SOS en paralelo como queramos, es decir, podemos controlar las dos baterías, ( un rele por batería ) y además la alarma, o lo que se nos ocurra, solo tenemos que conseguir que lo que queramos monitorizar pueda activar un rele.
He intentado explicarlo lo mas sencillo y claro posible, no se si lo habré conseguido, pero al menos esa es mi intención.
Espero que a alguien le sirva de ayuda.
23 de Diciembre de 2008